Двухканальный детектор устройств PDA1000-2 10 кГц

Эта серия детекторов по сути использует тот же принцип действия, что и отдельные детекторы Thorlabs и Newport, а их интерфейсы питания полностью идентичны. Если выход Monitor (имеющийся в некоторых продуктах Thorlabs и Newport) не требуется, а полоса пропускания остаётся прежней, детектор можно заменить напрямую, и его характеристики по всем параметрам не уступают характеристикам аналогичных продуктов Thorlabs и Newport. Помимо детекторов с существующими характеристиками, мы также предлагаем услуги по индивидуальному заказу. Мы можем настроить различные характеристики детектора (такие как напряжение питания, коэффициент усиления, полоса пропускания и т. д.) в соответствии с потребностями заказчика.

Категории
  • Подробная информация о продукте

Усиленный фотоприемник

Двухканальный детектор устройств PDA1000-2 10 кГц

Инструкции пользователя

Описание внешнего вида и интерфейса

Внешний вид модуля показан на рисунке ниже:

Dual-Channel 10KHz Unit Detector

Рисунок 2-1. Схема внешнего вида модуля детектора

Среди них левый интерфейс — это оптический входной интерфейс (FC), верхний правый — интерфейс входного питания (M8), а нижний правый — интерфейс выходного сигнала (SMA).

Соответствующий индивидуальный шнур питания показан на рисунке ниже:

Dual-Channel 10KHz Unit Detector

Рисунок 2-2 Соответствующий шнур питания

Левый конец на фотографии — это соединительный конец с модулем детектора, на котором наклеена этикетка с указанием способа подключения трёх шнуров питания справа. Провод изготовлен из ПВХ, рассчитан на максимальный ток 3 А и имеет сечение 24 AWG. Его распиновка полностью соответствует распиновке шнуров питания модулей детекторов Thorlabs и Newport и может использоваться взаимозаменяемо.

Электрические инструкции

1. Устройства с двойным питанием: ±12 В (коричнево-красный провод: +12 В, черный провод: земля, синий провод: -12 В). Для устройств с полосой пропускания 300 МГц и ниже минимальное напряжение питания может составлять всего ±8 В, а максимальное не должно превышать ±15 В (в случае несоответствия между этикеткой детектора и данной инструкцией, преимущественную силу имеет данная инструкция). Для устройств с полосой пропускания более 1 ГГц напряжение питания не должно превышать ±12 В. Кроме того, в качестве тестового модуля питания можно приобрести импульсный источник питания Honghai JMD10-D12. Этот модуль обеспечивает работоспособность детектора при использовании в помещении; при использовании на открытом воздухе, пожалуйста, оцените его самостоятельно. Ток модуля детектора в нормальном режиме работы составляет менее 100 мА. Пользователи лаборатории могут попробовать наш линейный источник питания.

Изделия с однополярным питанием: 5–12 В (коричнево-красный провод: +12 В, чёрный провод: GND, синий провод: плавающий). Ток потребления модуля детектора в нормальном режиме работы составляет менее 100 мА.

2. Выходной интерфейс: SMA (гнездовой разъем);

3. Выходное сопротивление: 50 Ом;

4. Максимальное выходное напряжение:

Продукты ниже 500 МГц: ±3,6 В (при высоком импедансе), ±1,8 В (при 50 Ом);

Изделия с частотой 1 ГГц (включительно) и выше: ±1 В (при 50 Ом).

5. Спектральный диапазон чувствительности: 900 нм-1700 нм;

6. Чувствительность детектора: >0,95 А/Вт при 1550 нм;

7. Амплитуда входного оптического сигнала не должна превышать оптическую мощность насыщения (мощность насыщения).

Параметры производительности

Инструкции по тестированию производительности:

1. Из-за различных условий подключения FC тестового источника света вносимые потери каждого детектора неравномерны, и результаты тестирования отклика детектора будут немного отличаться;

2. Коэффициент усиления детектора рассчитывается при высоком выходном сопротивлении нагрузки. При выходном сопротивлении 50 Ом коэффициент усиления уменьшается до половины номинального значения.

3. Результаты измерений шума детектора и времени нарастания получены при следующих условиях:

а: Входное сопротивление осциллографа составляет 50 Ом;

б: Полоса пропускания осциллографа — полная (≥1 ГГц);

c: Деление времени осциллографа установлено на 100 нс/дел (Примечание: шум будет значительно различаться при различном делении времени);

4. Температура в помещении для испытаний: 23℃±5℃;

5. Относительная влажность воздуха при испытании: 35%±15%;

6. Испытательное рабочее напряжение: ±12 В;

Типичные параметры тестирования детектора устройств (PDA1055H)

Модель КПК1000-2
Диапазон длин волн 900-1700 нм
Полоса пропускания 3 дБ 10 кГц
Прирост конверсии 2,5x10 6 В/А
Общий шум выходного напряжения 1,3 мВср.кв.
Мощность насыщения 4,8 мкВт
Типичная максимальная чувствительность 1A/W @1550 нм
Выходное сопротивление 50 Ом
Максим Выход 1,0 В при 50 Ом
Мощность падающего излучения (макс.) 5 мВт
Материал/тип детектора InGaAs/PIN
Диаметр детектора 75 мкм
Оптический вход FC/PC или FC/APC или свободное пространство
Электрическая мощность СМА
Размер упаковки 60мм×58мм×24мм
Требования к электропитанию ±12 В, 50 мА

Рисунок 3-1 Сводка электрических характеристик

Time-domain Noise Level (Blue and red lines are the noise of the two channels respectively)

Рисунок 3-2 Уровень шума во временной области (синяя и красная линии — это шум двух каналов соответственно)

Input Optical Pulse Response

Рисунок 3-3. Отклик входного оптического импульса

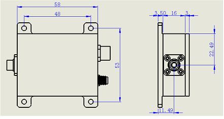
Механические размеры

Mechanical Dimension Diagram of Unit Detector Module

Рисунок 4-1. Схема механических размеров модуля детектора блока

Единица измерения: мм

Хотите узнать об этом продукте?

ОТПРАВИТЬ Сообщение
оставить сообщение

Если .Вы заинтересованы в наших продуктах и хотите узнать больше деталей, пожалуйста, оставьте сообщение здесь, мы ответим вам, как только мы Can.

сопутствующие товары
400G QSFP28 SR8 400G QSFP-DD SR8 850nm MPO 100M оптический трансивер
Модуль оптического приемопередатчика 400G QSFP-DD SR8, поддерживает передачу данных со скоростью 400 Гбит/с и на расстояние до 100 м по оптоволокну MM, он работает в высокоскоростных решениях для подключения IDC.
 1650nm FBG Reflector SC/APC . Отражатель FBG 1650 нм SC/APC
Волоконно-оптический отражатель с решеткой Брэгга (FBG Reflector) — это недорогой отражатель специального диапазона, устанавливаемый на стороне оптического сетевого блока (ONU). Он способен отражать световые импульсы (1650 +/- 5 нм) от рефлектометра OTDR на стороне оптического терминала (OLT) почти на 100%, при этом рабочие диапазоны пассивной оптической сети (PON) передаются нормально. Рефлектометр OTDR определяет нормальное состояние волоконно-оптической линии, регистрируя сигнал, отраженный волоконно-оптическим отражателем. Если отраженный сигнал меньше нормального значения, потери в линии слишком велики; если значение отражения равно 0, оптическая линия повреждена. Таким образом, мы можем своевременно поддерживать работоспособность волоконно-оптической линии путем мониторинга в реальном времени.
100G QSFP28 Bidi optical transceiver 100GBASE-LR двунаправленный модуль оптического приемопередатчика QSFP28 1280/1310nm 20km LC SM
Модуль оптического приемопередатчика 100G QSFP28 BIDI представляет собой подключаемый оптический приемопередатчик с интерфейсом симплексного разъема LC для передачи данных на большие расстояния и приложений межсоединений с использованием одного основного одномодового волокна (SMF) ..
Avalanche Detector Детектор лавин APD1050H
Лавинные фотодиодные детекторы серии APD имеют практически тот же принцип действия, что и лавинные детекторы Thorlabs и Newport, и полностью идентичны интерфейсами питания. Их можно напрямую заменить, когда выход монитора (имеющийся в некоторых продуктах Thorlabs и Newport) не требуется, а полоса пропускания остаётся прежней, а их производительность по всем параметрам не уступает аналогичным продуктам Thorlabs и Newport. Лавинный фотодиодный детектор APD компании Fiberwdm полностью производится в Китае. Благодаря эксклюзивной схеме температурной компенсации он обеспечивает высокую чувствительность, стабильность, высокий коэффициент усиления и низкий уровень шума во всем диапазоне температур (-40°C ~ 80°C). Помимо детекторов со стандартными характеристиками, мы также предлагаем услуги по изготовлению детекторов по индивидуальному заказу. Различные характеристики детектора (такие как напряжение питания, коэффициент усиления, полоса пропускания и т. д.) могут быть настроены в соответствии с потребностями заказчика. Области применения: лазерные радары, оптическая связь в свободном пространстве, волоконно-оптические сенсорные системы, оптические системы обнаружения и т. д.
40G DWDM QSFP+ DWDM одиночная волна 40G DWDM QSFP+ PAM4 двойной трансивер LC
Модуль оптического приемопередатчика 40G DWDM QSFP+ DWDM, поддерживает систему DWDM 48*40 Гбит/с и передачу до 80 км (с DCM и EDFA) по оптоволокну SM,, работает в высокоскоростных решениях для подключения IDC.
100G CFP Module Модуль 100G CFP2 ER4 с двойной скоростью 40 км
  Функции Поддерживает многоскоростную передачу (100GE и OTU4); от 103,1 Гбит/с до 111,8 Гбит/с совокупно; Скорость передачи данных по полосе 25,78 Гбит/с 100GE, 27,95 Гбит/с OTU4; Передача до 40км по SMF; Лазер LANWDM и приемник PIN-кода с SOA; Высокоскоростной электрический интерфейс ввода-вывода (CAUI-4); Интерфейс MDIO со встроенной цифровой диагностикой Корпус CFP2 MSA с дуплексным разъемом LC; Одиночный источник питания +3,3 В; Максимальная потребляемая мощность 14 Вт; Температура рабочего корпуса: от 0 до +70°С; Соответствует IEEE802.3ba и ITU-T G.959.1; Соответствует Директиве ЕС 2015/863/EU;   Приложение 100GBASE-ER4;  
Mechanical Fiber Optical Switch 1 x N устройство переключения каналов многолучевого распространения
Система оптической передачи Автоматическая замена источника света / детектора LAN и система мониторинга оптических датчиков Оптическое волокно, Оптические пассивные компоненты, Тестирование оптических сетей и кабелей
 40G High Speed InGaAs Photodetector . Высокоскоростной InGaAs фотодетектор 40G
Высокоскоростной детекторный модуль HSPD4040 предназначен как для цифровых, так и для аналоговых приложений. Модуль содержит PIN-фотодиод InGaAs с длиной волны чувствительности от 1250 до 1650 нм и необходимую согласующую электронику. HSPD4040 обеспечивает полосу пропускания до 40 ГГц. Модуль работает от напряжения +5 В. Он соответствует стандартному входу для одномодового оптоволоконного кабеля 9/125 мкм. Выходной ВЧ-порт представляет собой разъём 2,92 мм с согласованным сопротивлением 50 Ом. HSPD4040 герметичен и весит менее 20 граммов. Сертифицирован по ROHS 2.0.
оставить сообщение
оставить сообщение
Если .Вы заинтересованы в наших продуктах и хотите узнать больше деталей, пожалуйста, оставьте сообщение здесь, мы ответим вам, как только мы Can.

Дом

Продукты

о

контакт