Трансиверы 100G QSFP28 10 км PSM4

Трансиверы 100G QSFP28 10 км PSM4

Оптический трансивер RQ-100G-PSM4 QSFP28 предназначен для работы на расстоянии до 10 км с четырехполосной передачей данных со скоростью 25,78125 Гбит/с. Он работает от источника питания постоянного тока 3,3 В и функционирует в стандартном диапазоне рабочих температур. Трансивер совместим со стандартами QSFP MSA, SFF-8436, SFF-8636 и PSM4 MSA. Цифровые диагностические функции доступны через интерфейс I2C, а функции управления могут осуществляться через интерфейсы LVTTL на хосте, включая выбор модуля (ModSelL), сброс модуля (ResetL) и режим пониженного энергопотребления (LPMode). Трансивер включает в себя четырехлазерную матрицу, обычно состоящую из DFB-матрицы, четырехвыводной матрицы диодов, высокопроизводительного интегрированного драйвера CDR и микросхемы TIA. Дифференциальные интерфейсы передачи и приема с переменным током совместимы с протоколом CML.

Категории
  • Подробная информация о продукте

Трансиверы 100G QSFP28 10 км PSM4

Приложения

  • 100G BASE Ethernet
  • Межблочные кабели Infiniband EDR
  • Корпоративные сети

Функции

  • Оптический интерфейс MPO12
  • Максимальная длина линии связи — до 10 км.
  • До 25,78125 Гбит/с скорости передачи данных на одну линию
  • Источник питания +3,3 В
  • Пакет, соответствующий стандарту QSFP MSA.
  • Возможность горячей замены
  • Высокопроизводительный однорежимный DML-передатчик
  • Высокочувствительный оптический приемник PIN/TIA
  • Однорежимная работа
  • BER < 5E-5@-12.5dBm(OMA)
  • Встроенный CDR
  • Рабочая температура корпуса: от 0 до 70ºC
  • Интерфейсы передачи данных и управления
  • Данные передачи CML/AC сопряжены
  • Данные рецепта CML/AC в сочетании
  • ModSelL LVTTL
  • ResetL LVTTL
  • ModPrsL LVTTL
  • LPMode LVTTL
  • 2-проводная шина связи I2C
  • Соответствие требованиям RoHS 6

Абсолютные максимальные параметры

Абсолютные максимальные значения (превышение этих значений может привести к необратимому повреждению устройства)

Параметр

Символ

Мин

Макс

Единицы

Примечания

Температура хранения

Тстг

-40

+95

ºC

Превышение абсолютных максимальных значений может привести к необратимому повреждению устройства.

Данное устройство не предназначено для эксплуатации в условиях одновременного превышения абсолютных максимальных значений, что может привести к необратимому повреждению устройства.

Рабочая температура корпуса (коммерческая)

К

0 +70

ºC

Относительная влажность - хранение

RHS

0 95 %

Относительная влажность - рабочая

РХО

0 85 %

напряжение питания

ВЦК

-0.3 3.6 В

Условия эксплуатации

Рекомендуемые условия эксплуатации

Параметр

Символ

Мин

Тип

Макс

Единицы

Рабочая температура корпуса

Tcase

0

+70

ºC

Напряжение питания постоянного тока

ВЦК

3.135

3.465

В

Ток питания модуля

ИИН

1000 мА

Электрические характеристики

Электрические характеристики передатчика

Параметр

Символ

Мин

Тип

Макс

Единицы

Дифференциальный ввод данных Swing

VIN

180

900

мВ

Дифференциальное входное сопротивление передатчика

Зин

90 100 110

Ω

Дифференциальное выходное сопротивление передатчика

Зут

45 50 55

Ω

СбросL Отключение напряжения

Вр

2.0

Vcc+0.3

В

СбросВключенное Напряжение

Врен

0

0,8

В

ModSelL Отключить напряжение

Вм

2.0

Vcc+0.3

В

ModSelL Enable Voltage

ВмЭН

0

0,8

В

Электрические характеристики приемника

Параметр

Символ

Мин

Тип

Макс

Единицы

Дифференциальное колебание выходных данных

ВАУТ

180 900

мВ

Дифференциальное выходное сопротивление приемника

ЗУТ

90 100 110

Ω

Напряжение утверждения IntL

Винт

VCC-0.5

VCC+0.3

В

Напряжение деактивации IntL

ВДинт

0

+0.4

В

Оптические характеристики

Технические характеристики оптического передатчика

Параметр

Символ

Мин

Тип

Макс

Единицы

Примечания

Интенсивность сигнала светофора | На каждой полосе

25,78125±100 ppm

Гбит/с

Длина волны полосы

Л0

1295

1310

1325

нм

Л1

1295

1310

1325

нм

Л2

1295

1310

1325

нм

Л3

1295

1310

1325

нм

Коэффициент подавления бокового режима

SMSR

30

дБ

Суммарная средняя мощность при запуске

Птол

8.0

дБм

Средняя стартовая мощность на каждой полосе

Средний

-9.4 2.0

дБм

Амплитуда оптической модуляции | Каждая полоса

ОМА

2.2

дБм

1

Штраф за передатчик и рассеивание сигнала | Каждая полоса

ТДП

2.9

дБ

Координаты маски для глаз:

X1, X2, X3, Y1, Y2, Y3

{0.31, 0.4, 0.45, 0.34, 0.38, 0.4}

2

Средняя мощность запуска передатчика OFF на каждой полосе

-30

дБм

Коэффициент вымирания

ER

3.5

дБ

Ширина спектра | 20 дБ

1

нм

Коэффициент отражения передатчика

-12

дБ

Допуск на оптические потери отражения

20

дБ

Примечание:

  1. Даже если TDP < 1 дБ, минимальное значение OMA должно превышать указанное здесь минимальное значение.
  2. Коэффициент попаданий 5e-5, согласно IEEE.

Технические характеристики оптического приемника

Параметр

Символ

Мин

Тип

Макс

Единицы

Примечания

Скорость движения по полосам срабатывания светофора

25,78125±100 ppm

Гбит/с

Длина волны полосы

Л0

1295

1310

1325

нм

Л1

1295

1310

1325

нм

Л2

1295

1310

1325

нм

Л3

1295

1310

1325

нм

Порог повреждений | Для каждой полосы

ТХд

3.0

дБм

1

Средняя мощность приема на каждой полосе

-12.66

2.0

дБм

Отражательная способность приемника

-26

дБ

Чувствительность OMA|Каждая полоса[1]

Сен

-12.5

дБм

2

Чувствительность приемника в условиях стресса

(OMA), каждая полоса

-8.8

дБм

Утверждение LOS

ЛОСА

-15.5

LOS Деассертация

ПОСЛ.

-13.5

Гистерезис LOS

ЛОШ

0,5 3

Штраф за вертикальное закрытие глаз

ВЕКП

1.9

дБ

3

Дрожание J2-сустава при напряжении

J2

0,27

UI

Дрожание глаза J4 при напряжении

J4

0,39

UI

Примечание:

1. Приёмник должен выдерживать без повреждений непрерывное воздействие модулированного оптического входного сигнала с данным уровнем мощности на одной из линий. Приёмник не обязан корректно работать при данной входной мощности.

2. Измерено с помощью сигнала проверки соответствия на входе приемника при BER = 5e-5 BER.

3. Штраф за вертикальное закрытие глаз и дрожание глаз в состоянии стресса являются условиями тестирования для измерения чувствительности приемника в состоянии стресса. Они не являются характеристиками приемника.

Цифровая диагностика

Интерфейс мониторинга

Параметр

Символ

Спецификация

Единицы

Состояние/Примечания

Температура

Те

+/-3

°С

Напряжение

ВЦК

+/-5%

В

IBias

ПРЕДВЗЯТОСТЬ

+/-10%

мА

мощность приемника

Rx-pwr

+/-2

дБм

Мощность передачи

Tx-pwr

+/-2

дБм

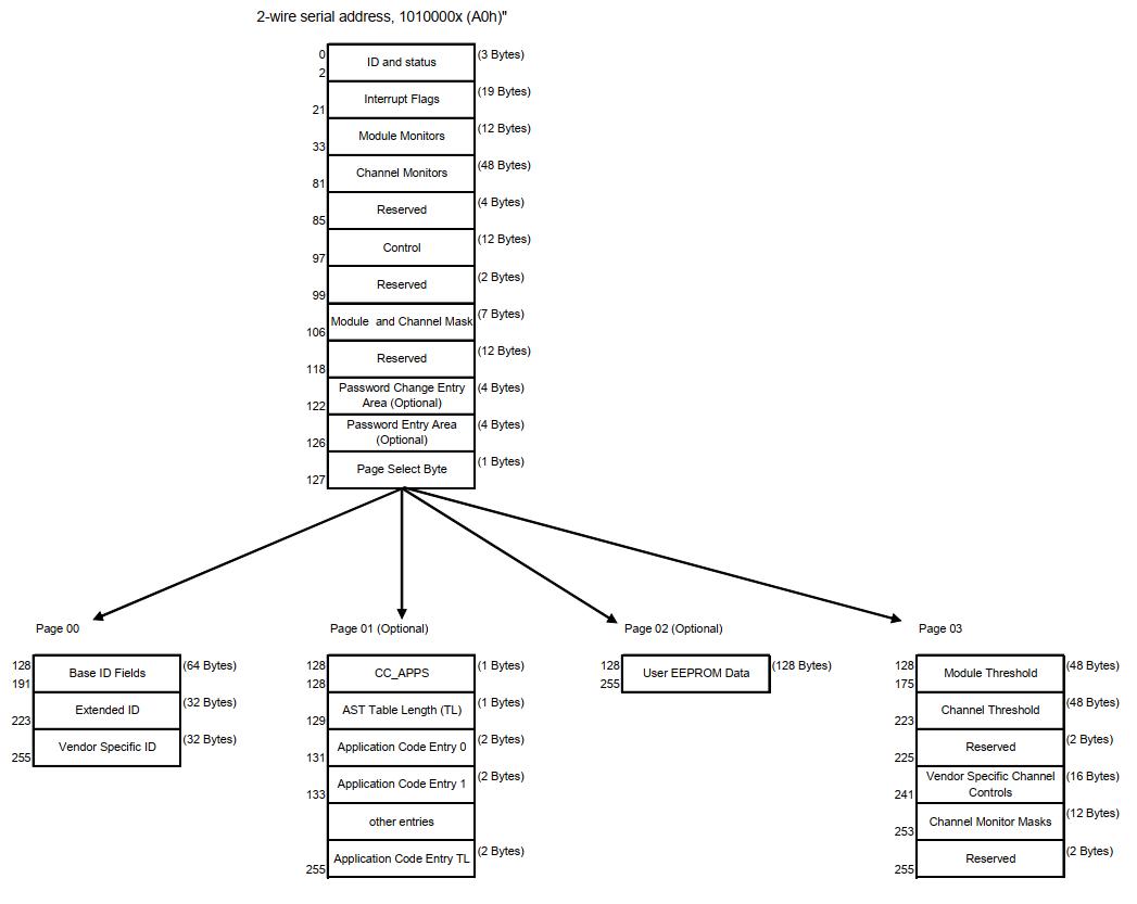
Карта воспоминаний

100G QSFP28 10km PSM4 Transceivers

Назначение PIN-кода

100G QSFP28 10km PSM4 Transceivers

МодСелЛ

Контакт ModSelL является входным. Когда он удерживается в низком состоянии хостом, модуль отвечает на команды двухпроводной последовательной связи. ModSelL позволяет использовать несколько модулей QSFP на одной двухпроводной интерфейсной шине. Когда ModSelL находится в высоком состоянии, модуль не должен отвечать на сообщения двухпроводного интерфейса от хоста или подтверждать их. Входной узел сигнала ModSelL должен быть смещен в высокое состояние в модуле. Во избежание конфликтов хост-система не должна пытаться осуществлять двухпроводную интерфейсную связь в течение времени снятия сигнала ModSelL после отключения любых модулей QSFP. Аналогично, хост должен подождать как минимум в течение времени активации ModSelL, прежде чем взаимодействовать с вновь выбранным модулем. Периоды активации и снятия сигнала разных модулей могут перекрываться, если соблюдаются вышеуказанные временные требования.

ResetL

В модуле QSFP вывод ResetL должен быть подтянут к Vcc. Низкий уровень на выводе ResetL, сохраняющийся дольше минимальной длительности импульса (t_Reset_init), инициирует полную перезагрузку модуля, возвращая все пользовательские настройки модуля в состояние по умолчанию. Время срабатывания сигнала перезагрузки модуля (t_init) начинается с восходящего фронта после снятия низкого уровня на выводе ResetL. Во время выполнения перезагрузки (t_init) хост должен игнорировать все биты состояния до тех пор, пока модуль не подтвердит завершение прерывания перезагрузки. Модуль подтверждает это, отправляя сигнал IntL с инвертированным битом Data_Not_Ready. Обратите внимание, что при включении питания (включая горячую установку) модуль должен сообщить о завершении прерывания перезагрузки без необходимости перезагрузки.

ModPrsL

Сигнал ModPrsL подтянут к Vcc_Host на плате хоста и заземлен на модуле. ModPrsL находится в низком состоянии при подключении модуля и в высоком состоянии, когда модуль физически отсутствует в разъеме хоста.

Международный

IntL — это выходной контакт. В состоянии «низкий» он указывает на возможную ошибку в работе модуля или на критическое состояние для хост-системы. Хост определяет источник прерывания с помощью двухпроводного последовательного интерфейса. Контакт IntL является выходом с открытым коллектором и должен быть подтянут к напряжению питания хост-системы на плате хоста.

LPMode

В модуле QSFP вывод LPMode должен быть подтянут к Vcc. Эта функция зависит от вывода LPMode и комбинации битов программного управления Power_over-ride и Power_set (адрес A0h, байт 93, биты 0, 1). Модуль имеет два режима: режим низкого энергопотребления и режим высокого энергопотребления. В режиме высокого энергопотребления модуль работает в одном из четырех классов мощности. В режиме низкого энергопотребления модуль потребляет максимум 1,5 Вт. Это защищает хосты, не способные охлаждать модули более высокой мощности, в случае случайной установки таких модулей.


Двухпроводной последовательный интерфейс модуля и все функции лазерной безопасности должны быть полностью работоспособны в этом режиме низкого энергопотребления. Модуль должен по-прежнему поддерживать завершение прерывания сброса в этом режиме низкого энергопотребления. Если биты расширенного идентификатора (страница 00h, байт 129, биты 6-7) указывают на потребление энергии более 1,5 Вт, и модуль находится в режиме низкого энергопотребления, он должен снизить потребление энергии до менее 1,5 Вт, сохраняя при этом описанную выше функциональность. Точный метод достижения низкого энергопотребления не указан, однако вероятно, что либо передатчик (Tx), либо приемник (Rx), либо оба будут неработоспособны в этом состоянии. Если биты расширенного идентификатора (страница 00h, байт 129, биты 6-7) указывают на то, что потребление энергии составляет менее 1,5 Вт, то модуль должен быть полностью работоспособен независимо от того, находится ли он в режиме низкого или высокого энергопотребления.

Модуль должен находиться в режиме пониженного энергопотребления, если вывод LPMode находится в высоком состоянии или если бит Power_over-ride находится в высоком состоянии, а бит Power_set также находится в высоком состоянии. Модуль должен находиться в режиме повышенного энергопотребления, если вывод LPMode находится в низком состоянии или бит Power_over-ride находится в высоком состоянии, а бит Power_set — в низком состоянии. Обратите внимание, что состояние по умолчанию для бита Power_over-ride — низкое.

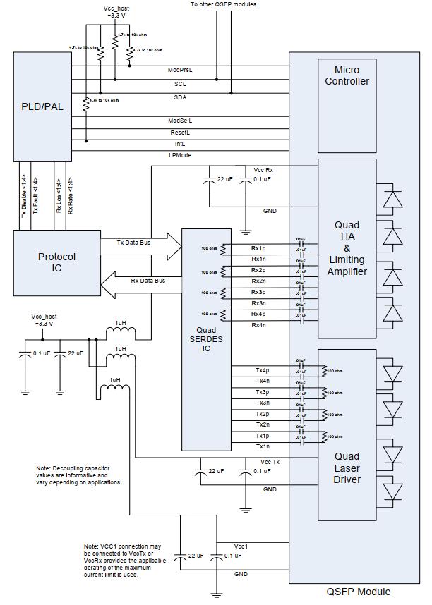
Электрический интерфейс

100G QSFP28 10km PSM4 Transceivers

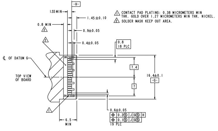
Рекомендуемая компоновка печатной платы

100G QSFP28 optical module 100G QSFP28 optical module

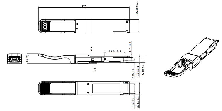
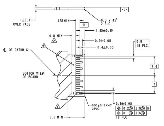
Механические размеры

100G QSFP28 optical module

Примечания:

1. Допуск: +/-0,1 мм.

2. Другие варианты соответствуют стандарту SFF-8661 или спецификации заказчика.

3. Оптический порт в соответствии со спецификацией волоконно-оптического разъема.

Предупреждения

Меры предосторожности при обращении:

Данное устройство подвержено повреждениям в результате электростатического разряда (ЭСР). Настоятельно рекомендуется создать среду, свободную от статического электричества. Следуйте инструкциям в соответствии с надлежащими процедурами по защите от ЭСР.

Безопасность при работе с лазерами:

Излучение, испускаемое лазерными устройствами, может быть опасно для глаз человека. Избегайте прямого или непрямого облучения глаз.

Уведомление:

Информация, представленная на этой странице, содержит целевые технические характеристики продукта, которые могут быть изменены без предварительного уведомления.

Для получения информации об обновлениях продукции, изменениях в технических характеристиках, наличии образцов и датах начала серийного производства обращайтесь в отдел продаж Litecore.

Хотите узнать об этом продукте?

ОТПРАВИТЬ Сообщение
оставить сообщение

Если .Вы заинтересованы в наших продуктах и хотите узнать больше деталей, пожалуйста, оставьте сообщение здесь, мы ответим вам, как только мы Can.

сопутствующие товары
100G QSFP SR4 100G QSFP28 SR4 100m 850nm MPO Оптический приемопередатчик
100G QSFP28 SR4 Оптический приемопередатчик MPO 100 м 850 нм, поддерживает передачу 100 Гбит / с и до 100 м по оптоволокну MM, он работает в высокоскоростных решениях для подключения IDC и так далее. Функции Соответствует стандарту IEEE 802.3bm Соответствует стандарту SFF-8665. Скорость передачи данных до 25,78125 Гбит/сСкорость передачи данных на канал Высоконадежная технология VCSEL 850 нм Электрически с возможностью горячей замены Один источник питания +3,3 В Диапазон температур корпуса: 0 ~ +70 ℃ Максимальная потребляемая мощность 2,5 Вт Один разъем MPO12 Жалоба RoHS
100G QSFP28 CWDM4 100G QSFP28 CWDM4 оптический трансивер LC 10 км
Оптический трансиверный модуль 100G QSFP28 CWDM4, поддерживает скорость 100 Гбит/с и передачу до 10 км по одномодовому волокну, используется в высокоскоростных решениях для подключения ЦОД и т.д.
100G QSFP28 LR4 100G QSFP28 LR4 1310nm 10km LC оптический трансивер
Модуль оптического приемопередатчика 100G QSFP28 LR4, поддержка передачи 100 Гбит/с и до 10 км по оптоволокну SM, он работает в высокоскоростных решениях для подключения IDC и так далее. Функции 4-полосная конструкция MUX/DEMUX Интегрированная LAN WDM TOSA/ROSA с радиусом действия до 10 км по SMF Поддержка 100GBASE-ER4 для линейной скорости 103,125 Гбит/с и OTU4 для линейной скорости 111,81 Гбит/с Совокупная пропускная способность >100 Гбит/с Дуплексные разъемы LC Соответствует стандарту IEEE 802.3-2012, пункт 88. Чип IEEE 802.3bm CAUI-4 для электрического стандарта модуля ITU-T G.959.1-2012-02. Работает один источник питания +3,3 В Встроенные цифровые диагностические функции Диапазон температур от 0°C до 70°C Деталь, соответствующая требованиям RoHS Поддержка FEC (прямое исправление ошибок)
100G QSFP28 ER4 100G QSFP28 ER4 40Km 1310nm LC оптический трансивер
Модуль оптического приемопередатчика 100G QSFP28 ER4, поддержка 100 Гбит/с и передача до 40 км по оптоволокну SM, он работает в высокоскоростных решениях для подключения IDC и так далее. Функции: 4-полосная конструкция MUX/DEMUX Поддержка 100GBASE-ER4 для скорости линии 103,125 Гбит/с. Интегрированная LAN WDM TOSA/ROSA с радиусом действия до 40 км по SMF. Совокупная пропускная способность >100 Гбит/с Дуплексные разъемы LC Соответствует стандарту IEEE 802.3-2012, пункт 88. Чип IEEE 802.3bm CAUI-4 соответствует электрическому стандарту модуля ITU-T G.959.1-2012-02. Работает один источник питания +3,3 В Встроенные цифровые диагностические функции Диапазон температур от 0°C до 70°C Деталь, соответствующая требованиям RoHS Поддержка FEC (прямое исправление ошибок)
100G QSFP28 ZR4 100Gb QSFP28 ZR4 80Km 1310nm LC оптический трансивер
Модуль оптического приемопередатчика 100G QSFP28 ZR4, поддержка 100 Гбит/с и передача до 80 км по оптоволокну SM, он работает в высокоскоростных решениях для подключения IDC и так далее. Функции 4-полосная конструкция MUX/DEMUX Поддержка 100GBASE-ZR4 для линейной скорости 103,125 Гбит/с и OTU4 для линейной скорости 111,81 Гбит/с Лазер LANWDM EML и PIN-приемник с SOA Совокупная пропускная способность >100 Гбит/с Дуплексные разъемы LC Соответствует стандарту IEEE 802.3-2012, пункт 88. Чип IEEE 802.3bm CAUI-4 соответствует электрическому стандарту модуля ITU-T G.959.1-2012-02. Работает один источник питания +3,3 В Встроенные цифровые диагностические функции Диапазон температур от 0°C до 70°C Деталь, соответствующая требованиям RoHS Поддержка FEC (прямое исправление ошибок)
100G LR1 10km SFP-DD 100G LR1 10 км SFP-DD оптический трансивер
Оптический трансивер 100G LR1 SFP56-DD LR1 предназначен для использования в 100-гигабитных Ethernet-каналах на расстоянии до 10 км по одномодовому оптоволокну (SMF). Он соответствует стандартам SFP56-DD MSA, IEEE802.3CU, 100G Lambda 100G LR1 и 100GAUI-2 (без FEC)1. Функции цифровой диагностики доступны через интерфейс I2C, как указано в стандарте SFP56-DD MSA. Модуль включает в себя 1 канал оптического сигнала с центральной длиной волны 1311 нм, работающий со скоростью передачи данных 100 Гбит/с. Этот модуль может преобразовывать 2 канала электрических входных данных 53 Гбит/с (PAM4) в 1 канал оптического сигнала 106 Гбит/с (PAM4), а также 1 канал оптического сигнала 106 Гбит/с (PAM4) в 2 канала электрических выходных данных 53 Гбит/с (PAM). Оптический интерфейс использует дуплексный LC-разъем. Высокопроизводительный охлаждаемый EML-передатчик и высокочувствительный PIN-приемник обеспечивают превосходную производительность для приложений 100-гигабитного Ethernet на линиях связи до 10 км.
100G QSFP28 DWDM Приемопередатчик PAM4 с двойным разъемом CS 100G DWDM QSFP28
Модуль оптического приемопередатчика 100G QSFP28 DWDM, поддерживает систему DWDM 48*100 Гбит/с и передачу до 80 км по оптоволокну SM,, работает в высокоскоростных решениях для подключения IDC.
100G QSFP28 Bidi optical transceiver 100GBASE-SR двунаправленный модуль оптического приемопередатчика QSFP28 850/900nm 100m DOM LC MMF
Модуль оптического приемопередатчика 100G QSFP28 BIDI представляет собой подключаемый оптический приемопередатчик с интерфейсом дуплексного разъема LC для передачи данных на короткие расстояния и приложений межсоединений с использованием многомодового оптоволокна (MMF).. Он предлагает клиентам привлекательное решение, которое позволяет повторно использовать их существующие 10 Дуплексная инфраструктура MMF gb для перехода на 100-гигабитное подключение к сети Ethernet.
оставить сообщение
оставить сообщение
Если .Вы заинтересованы в наших продуктах и хотите узнать больше деталей, пожалуйста, оставьте сообщение здесь, мы ответим вам, как только мы Can.

Дом

Продукты

о

контакт