Высокоскоростной InGaAs фотодетектор 40G

Высокоскоростной детекторный модуль HSPD4040 предназначен как для цифровых, так и для аналоговых приложений. Модуль содержит PIN-фотодиод InGaAs с длиной волны чувствительности от 1250 до 1650 нм и необходимую согласующую электронику.

HSPD4040 обеспечивает полосу пропускания до 40 ГГц. Модуль работает от напряжения +5 В. Он соответствует стандартному входу для одномодового оптоволоконного кабеля 9/125 мкм. Выходной ВЧ-порт представляет собой разъём 2,92 мм с согласованным сопротивлением 50 Ом. HSPD4040 герметичен и весит менее 20 граммов. Сертифицирован по ROHS 2.0.

Категории
  • Подробная информация о продукте

Высокоскоростной InGaAs фотодетектор 40G

Функции

  • Широкая полоса пропускания
  • Включенный Bias-T
  • Связанный по постоянному току
  • Герметичный, разъем 2,92

Приложения

  • Высокоскоростная оптоволоконная связь
  • Обработка радиолокационной информации
  • Электронная война
  • Тестирование и измерение высокоскоростных сигналов
  • Микроволновая фотоника

Выбор продукта

Типичный и абсолютный максимальный рейтинг

Параметр

Сим.

Тип

Рейтинг

Единица

Диапазон температур хранения

ТСГ

-45 ~ +85

-55 ~ +85

Диапазон рабочих температур корпуса

ТС

25

-40 ~ +85

Напряжение смещения

VR

5

5 ~ 6

В

Оптическая входная мощность

Приколоть

+3

+10

мВт

Выгорание оптической мощности

ПБ

- +15

мВт

Температура пайки свинца

Тп

280 (10 с)

330 (10 с)

Оптические и электрические характеристики

Параметр

Символ

Мин.

Тип

Макс

Единицы

Примечание

Спектр реакции

λ

1000

1650

нм

Малая полоса пропускания сигнала

-3 дБ

35

40

ГГц

Максимальная входная оптическая мощность

Вечер

13

мВт

2,3

Отзывчивость

Р

0,75

0,85

А/В

1

Амплитуда Ровность

А

±2

дБ

Напряжение смещения для PD

ВПД

5 6

В

3

Выходной КСВ

КСВ

2.5 3

Выходная мощность насыщения ВЧ

Надутые губки

-10

дБм

Темновой ток

Идентификатор

1 40

нА

Выходное сопротивление

РЛ

50

Ω

Примечание

1. λ=1310 нм, 1550 нм

2. 2. 25° C нормальное смещение

3. Воздействие абсолютных максимальных значений может негативно повлиять на надежность устройства или привести к его необратимому повреждению.

Типичные кривые отклика

40G High Speed InGaAs Photodetector

Рис.1 Частотная характеристика фотодетектора 40G

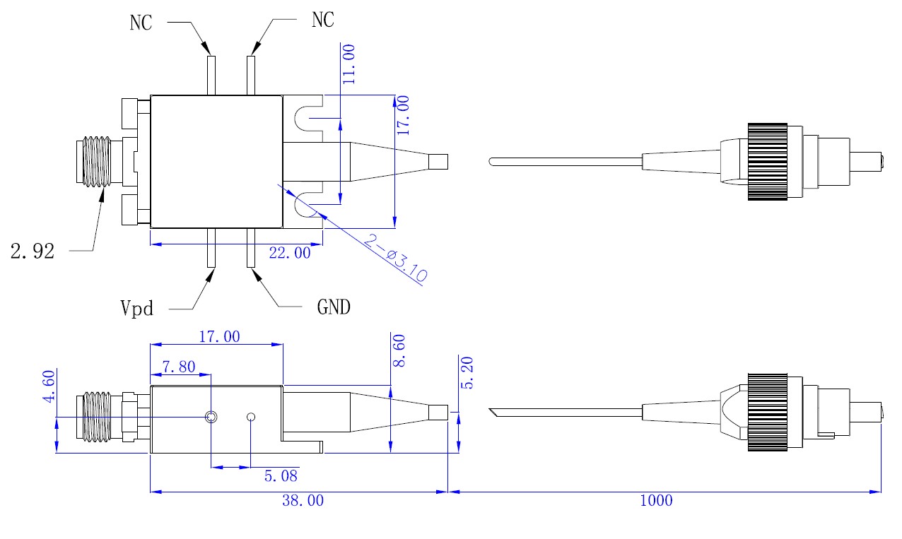
Размеры и штифты (единица измерения: мм)

40G High Speed InGaAs Photodetector

Информация о заказе

Номер детали

Примечание

HSPD4040

Приемник PD 40 ГГц с волоконно-оптическим разъемом SM FC/APC

Меры предосторожности

Радиус изгиба волокна не менее 20 мм во избежание повреждения волокна.

Перед подключением волокна к оптосхеме убедитесь, что соединительная поверхность волокна чистая.

При хранении, транспортировке и использовании требуется соответствующая защита от электростатического разряда.

Хотите узнать об этом продукте?

ОТПРАВИТЬ Сообщение
оставить сообщение

Если .Вы заинтересованы в наших продуктах и хотите узнать больше деталей, пожалуйста, оставьте сообщение здесь, мы ответим вам, как только мы Can.

сопутствующие товары
High-Speed Detectors Высокоскоростные детекторы HSPD4018 и HSPD4040
Чтобы удовлетворить спрос отечественных заказчиков на полностью локализованные высокоскоростные фотодетекторы (ФД), компания Fiberwdm, после почти двух лет исследований и разработок и оптимизации, разработала два высокоскоростных ФД с полосой пропускания, превышающей 18 ГГц и 40 ГГц. Время нарастания ФД на 18 ГГц составляет менее 20 пс, а на 40 ГГц — менее 8,5 пс. Их чувствительность не ниже, чем у аналогичных импортных продуктов Finisar, Thorlabs и других, а хвостовая осцилляция также хорошо контролируется. Эта серия высокоскоростных детекторов не включает в себя трансимпедансный усилитель (TIA) и отличается чрезвычайно низким уровнем шума. Она может использоваться для тестирования высокоскоростных систем связи и фемтосекундных лазерных систем и представляет собой экономичный полностью локализованный продукт. Линейный источник питания, самостоятельно разработанный компанией Fiberwdm, способен полностью удовлетворить требования высокоскоростных детекторов в научно-исследовательских приложениях.
 High-speed detector with amplification . Высокоскоростной детектор с усилением
Чтобы удовлетворить спрос отечественных заказчиков на полную локализацию высокоскоростных детекторов с усилением, компания Fiberwdm выпустила продукт с полосой пропускания более 20 ГГц. Эта серия высокоскоростных детекторов оснащена встроенным усилением и отличается чрезвычайно низким уровнем шума. Они могут использоваться в высокоскоростных системах связи и тестировании фемтосекундных лазерных систем, что делает их экономичным и полностью локализованным продуктом. Fiberwdm самостоятельно разработала линейный источник питания, который полностью удовлетворяет потребности высокоскоростных детекторов в научных исследованиях.
 L1+ Silicon Optical Inertial Measurement Unit . L1+ Кремниевый оптический инерциальный измерительный блок
L1+ Кремниевый оптический инерциальный измерительный блок представляет собой двухпараметрический кремниевый фотонный сенсорный продукт, объединяющий измерение угловой скорости и ускорения, способный одновременно в реальном времени измерять как угловую скорость по трем осям, так и ускорение по трем осям. Диапазон измерения угловой скорости составляет ±800°/с с постоянной стабильностью нулевого смещения при любых температурах ≤1°/ч, а диапазон измерения ускорения — ±30g с постоянной стабильностью нулевого смещения при нормальных температурах ≤0,5 мг. Устройство обладает полосой пропускания ≥400 Гц и превосходными характеристиками масштабного коэффициента, поддерживая настраиваемый вывод данных по RS-422 с регулируемой частотой обновления 400 Гц. Питание осуществляется от +5 В, потребляемая мощность в установившемся режиме составляет
100G FR1 2km SFP-DD 100G FR1 2 км SFP-DD оптический трансивер
Оптический трансивер 100G FR1 SFP56-DD FR1 предназначен для использования в 100-гигабитных Ethernet-каналах на расстоянии до 2 км по одномодовому оптоволокну (SMF). Он соответствует стандартам SFP56-DD MSA, IEEE802.3CU, 100G Lambda 100G FR1 и 100GAUI-2 (без FEC)1. Функции цифровой диагностики доступны через интерфейс I2C, как указано в стандарте SFP56-DD MSA. Модуль включает в себя 1 канал оптического сигнала с центральной длиной волны 1311 нм, работающий со скоростью передачи данных 100 Гбит/с. Этот модуль может преобразовывать 2 канала электрических входных данных 53 Гбит/с (PAM4) в 1 канал оптического сигнала 106 Гбит/с (PAM4), а также 1 канал оптического сигнала 106 Гбит/с (PAM4) в 2 канала электрических выходных данных 53 Гбит/с (PAM). Оптический интерфейс использует дуплексный LC-разъем. Высокопроизводительный охлаждаемый EML-передатчик и высокочувствительный PIN-приемник обеспечивают превосходную производительность для приложений 100-гигабитного Ethernet на линиях связи до 2 км.
800G QSFP-DD 800G QSFP-DD SR8 850 нм 100 м MPO-16 APC
Особенности Последовательный оптический интерфейс QSFP-DD 8x100G PAM4 с измененной синхронизацией электрического интерфейса 800GAUI-8 Разъем MPO-16 APC 8-канальные матрицы VCSEL и 8-канальные матрицы PIN-фотодетекторов Максимальная длина линии связи 60 м на OM3 или 100 м на OM4 Соответствует QSFP-DD MSA Форм-фактор QSFP-DD с возможностью горячей замены Соответствует QSFP-DD-Hardware-Rev. 6.3 MSA Соответствует CMIS 5.2 Протокол поддержки Соответствует IEEE 802.3db Соответствует IEEE 802.3ck Низкое энергопотребление Менее 14 Вт в диапазоне температур от 0 до 70°С
100G QSFP28 BIDI Приемопередатчик 100G QSFP28 BIDI 1271 нм/1331 нм, 10 км
Функции Поддерживает 100GBASE-LR1-10 BIDI Скорость передачи сигналов по полосе 106,25 Гбит/с с PAM4 Передача до 10 км по SMF Лазер EML и приемник PIN-кода 4x25,78 Гбит/с с электрическим интерфейсом NRZ (CAUI-4) Высокоскоростной электрический интерфейс ввода-вывода Интерфейс I2C со встроенным цифровым диагностическим мониторингом Пакет QSFP28 MSA с симплексным разъемом LC Одиночный источник питания +3,3 В Поддержка аппаратных средств TX_DIS и RX_LOS для телекоммуникационных приложений. Максимальная потребляемая мощность 4 Вт Температура рабочего корпуса: от 0 до +70 °C Соответствует стандартам 802.3cu, SFF-8636 и SFF-8679. Соответствует Директиве ЕС 2015/863/EU. Приложение 100GBASE-LR1- 10 двусторонних сигналов Типы трансиверов:
polarization controller трехкольцевой регулятор поляризации
низкие вносимые потери широкий диапазон длин волн легко разбирается, самостоятельная замена, намотка волокна
 800G OSFP SR8 MM MPO12 Optical Transceiver IB . Оптический приемопередатчик 800G OSFP SR8 MM MPO12 IB
Особенности последовательного оптического интерфейса OSFP 8x100G PAM4 с измененной синхронизацией электрического интерфейса 800GAUI-8 Предусмотрены двойной разъем MPO-12 APC и разъем MPO16 APC. 8-канальные матрицы VCSEL и 8-канальные матрицы PIN-фотодетекторов Максимальная длина соединения 60 м на OM3 или 100 м на OM4. Совместимость с OSFP MSA Форм-фактор OSFP с возможностью горячей замены Соответствует спецификации модуля OSFP версии 5.0. Соответствует CMIS 5.2. Протокол поддержки Соответствует стандарту IEEE 802.3db. Соответствует IEEE 802.3ck Низкое энергопотребление Менее 14 Вт в диапазоне температур от 0 до 70 ℃. Приложения 800GBASE-SR8 800G Ethernet Дата центр
оставить сообщение
оставить сообщение
Если .Вы заинтересованы в наших продуктах и хотите узнать больше деталей, пожалуйста, оставьте сообщение здесь, мы ответим вам, как только мы Can.

Дом

Продукты

о

контакт