Трансивер FC DWDM SFP+ 16 Гбит/с, C-диапазон, EML, дальность действия 40 км.

Трансивер FC DWDM SFP+ 16 Гбит/с, C-диапазон, EML, дальность действия 40 км.

Трансиверы SFP+ — это высокопроизводительные и экономичные модули, поддерживающие скорость передачи данных 16 Гбит/с и дальность передачи 40 км при использовании одномодового оптоволокна (SMF).

Приёмопередатчик состоит из трёх секций: охлаждаемого лазерного передатчика EML, PIN-фотодиода, интегрированного с трансимпедансным предусилителем (TIA), и блока управления MCU. Все модули соответствуют требованиям лазерной безопасности класса I.

Трансиверы совместимы с соглашением SFP Multi-Source Agreement и функциями цифровой диагностики SFF-8472.

Категории
  • Подробная информация о продукте

Трансивер FC DWDM SFP+ 16 Гбит/с, C-диапазон, EML, дальность действия 40 км RSPD-16GD40-CXX

Характеристики продукта

  • Поддерживает скорость передачи данных до 16 Гбит/с.
  • Возможность горячей замены, разъем SFP+
  • DWDM EML-лазер и PIN-фотодиод, передача данных на расстояние до 40 км по одномодовому оптоволокну.
  • Соответствует стандартам SFP+ MSA и SFF-8472 с дуплексным разъемом LC.
  • Соответствует требованиям RoHS
  • Однополярный источник питания +3,3 В
  • Мониторинг цифровой диагностики в реальном времени
  • Рабочая температура корпуса: Стандартная: от 0 до +70°C

Приложения

  • 4.25/8.5/16G Fibre Channel
  • Другие оптические каналы связи

SFP+ 16G FC DWDM 40KM

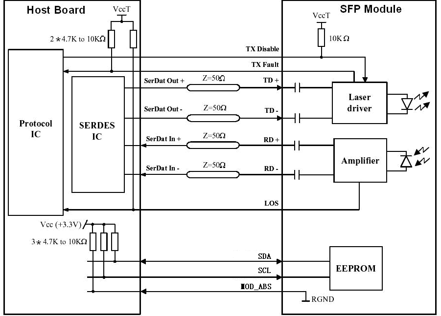
Функциональная диаграмма приемопередатчика

Абсолютные максимальные рейтинги

Параметр Символ Мин Макс Единица
напряжение питания Vcc -0.5 4.5 В
Температура хранения Тс -40 +85 °С
Рабочая влажность 5 85 %

Рекомендуемые условия эксплуатации

Параметр Символ Мин Типичный Макс Единица
Рабочая температура корпуса Тс 0 +70 °С
Напряжение питания Vcc 3.135 3.30 3.465 В
Ток источника питания ИКК 550 мА
Скорость передачи данных 4.25 16 Гбит/с

Оптические и электрические характеристики

SFP+ 16G FC DWDM 40KM

Примечания:

1. Оптическая мощность подается в одномодовое оптоволокно (SMF).

2. Вход PECL, внутренне связанный по переменному току и оконечный.

3. Измерено с помощью PRBS 2 31 -1 тестовый шаблон @16000 Мбит/с, BER ≤1×10 -12 .

4. Внутренняя связь по переменному току.

Синхронизация и электрооборудование

SFP+ 16G FC DWDM 40KM

iDagnostics

16G FC DWDM SFP+ Transceiver

Карта цифровой диагностической памяти

Приемопередатчики передают содержимое памяти последовательных идентификаторов и диагностическую информацию о текущих условиях работы через двухпроводной последовательный интерфейс (SCL, SDA).

Реализована диагностическая информация как с внутренней, так и с внешней калибровкой, включая мониторинг принимаемой мощности, мониторинг передаваемой мощности, мониторинг тока смещения, мониторинг напряжения питания и мониторинг температуры.

Поле данных, специфичное для карты цифровой диагностической памяти, определяется следующим образом.

16G FC DWDM SFP+ Transceiver

Описание пинов

16G FC DWDM SFP+ Transceiver

SFP+ 40KM DWDM Transceiver

Примечания:

Последовательность подключения контактов: последовательность включения контактов при подключении в горячем состоянии.

1) Ошибка TX Fault означает обрыв коллектора на выходе, который следует подтянуть резистором 4,7–10 кОм на плате до напряжения от 2,0 В до Vcc+0,3 В. Логический 0 указывает на нормальную работу; логическая 1 указывает на неисправность лазера. В низком состоянии выходное напряжение будет снижено до менее 0,8 В.

2) Выходной сигнал лазера отключается при напряжении TDIS >2,0 В или обрыве цепи, включается при напряжении TDIS <0,8 В.

3) LOS — это выход с открытым коллектором. Он должен быть подтянут резистором 4,7–10 кОм на основной плате до напряжения от 2,0 до 3,6 В. Логический 0 означает нормальную работу; логическая 1 означает потерю сигнала.

4) RD-/+: Это дифференциальные выходы приемника. Это внутренне связанные по переменному току 100-омные дифференциальные линии, которые должны быть нагружены сопротивлением 100 Ом (дифференциальным) на пользовательском SERDES.

5) TD-/+: Это дифференциальные входы передатчика. Внутри модуля они имеют дифференциальную связь по переменному току и дифференциальное оконечное сопротивление 100 Ом.

Рекомендуемая интерфейсная схема

SFP+ 40KM DWDM Transceiver

Механические размеры

16g DWDM 40km transceiver

Информация для заказа

RSPD-16GD40-CXX XX: Длина волны сетки ITU 100 ГГц

16g DWDM 40km transceiver 16g DWDM 40km transceiver

Хотите узнать об этом продукте?

ОТПРАВИТЬ Сообщение
оставить сообщение

Если .Вы заинтересованы в наших продуктах и хотите узнать больше деталей, пожалуйста, оставьте сообщение здесь, мы ответим вам, как только мы Can.

сопутствующие товары
SFP+ 16G DWDM 20KM Transceiver Оптический приемопередатчик SFP+ 16G C17-C61 DWDM 20 км DDM
Особенности продукта Поддерживает скорость передачи данных до 14,025 Гбит/с. Размер SFP+ с возможностью «горячей» замены 100 ГГц ITU, C-диапазон DWDM Охлаждаемый лазер EML и PIN-фотодиод, до 20 км для передачи SMF Совместимость с SFP+ MSA и SFF-8472 с дуплексной розеткой LC Совместимость с RoHS Один источник питания +3,3 В Цифровой диагностический мониторинг в реальном времени Рабочая температура корпуса: Стандарт: от 0 до +70°C Приложения Оптоволоконный канал 4,25/8,5/14,025 Гбит/с Другие оптические ссылки
40G QSFP SR4 40Gs QSFP+ SR4 100m 850nm MPO оптический приемопередатчик
40G QSFP+ SR4 Оптический приемопередатчик MPO 100 м 850 нм, поддерживает передачу 40 Гбит / с и до 100 м по оптоволокну MM, он работает в высокоскоростных решениях для подключения IDC и так далее. Функции 4 независимых полнодуплексных канала Скорость передачи данных до 10,5 Гбит/с на канал Оптический разъем MTP/MPO Совместимость с QSFP MSA (SFF-8436) Возможности цифровой диагностики Возможность передачи более 100 м на OM3 многомодовое волокно Электрический ввод/вывод, совместимый с CML Один источник питания +3,3 В Рабочая температура корпуса: 0~70C Электрический интерфейс XLPPI (с максимальной мощностью 1,5 Вт) Соответствует RoHS-6
 4CH WDM GPON XGS-PON NG-PON2 And OTDR Plug-in LGX Box 215*150*20MM . 4-канальный WDM GPON XGS-PON NG-PON2 и рефлектометрический модуль LGX 215*150*20 мм
Стремительное развитие таких технологий, как 5G, Интернет вещей и облачные вычисления, приводит к постоянному росту спроса на пропускную способность. Для удовлетворения этого спроса также развиваются технологии пассивных оптических сетей (PON). В настоящее время основными используемыми технологиями PON являются GPON, XGS-PON и NG-PON2, а оптический рефлектометр (OTDR) используется для диагностики и обслуживания неисправностей сети. Благодаря технологии 4CH WDM (четырехканальное мультиплексирование с разделением по длине волны) эти технологии могут работать одновременно в одном волокне, тем самым повышая пропускную способность и гибкость сети.
OTDR 1625nm Filter OTDR 1625nm Фильтр FWDM
Одноканальный 3-портовый рефлектометрический фильтр 1625 нм, работает в системе рефлектометра Низкие вносимые потери Высокая изоляция каналов Низкие потери, зависящие от поляризации Исключительная надежность и стабильность
1310nm 100G QSFP28 ER1,Duplex LC 100G QSFP28 ER1 Модуль приемопередатчика QSFP28-100G-ER1 100G QSFP28 ER1 Single Lambda 1310 нм 40 км PAM4 LC SMF DDM
Оптические приёмопередающие модули 100G QSFP28 ER1 разработаны для поддержки сетей Ethernet 100G и подходят для линий связи центров обработки данных длиной до 40 км по одномодовому оптоволокну. Модуль 100G QSFP28 ER1 соответствует спецификации 100G-ER1-40 100G Lambda MSA. Передающая сторона преобразует 4 электрических сигнала NRZ по 25G в 1 оптический сигнал PAM4 по 100G. Обратная приёмная сторона преобразует 1 оптический сигнал NRZ по 100G в 4 электрических сигнала NRZ по 25G.
400G QSFP112 SR4 LPO 400G QSFP112 SR4 LPO-трансивер
ФУНКЦИИ: Многомодовый приемопередатчик QSFP112 SR4 с возможностью «горячего» подключения Соответствует QSFP112 MSA Соответствует CMIS Rev 4.0 и более поздним версиям Интегрированная матрица VCSEL 850 нм и матрица PD без DSP или CDR 4 канала электрической и оптической модуляции 100G-PAM4 Одиночные розетки MPO-12 APC  Максимальная потребляемая мощность 2,8 Вт Один источник питания 3,3 В Рабочая температура корпуса от 0°C до 70°C Лазер класса 1  Соответствие RoHS
100G QSFP28 ER4 100G QSFP28 ER4 40Km 1310nm LC оптический трансивер
Модуль оптического приемопередатчика 100G QSFP28 ER4, поддержка 100 Гбит/с и передача до 40 км по оптоволокну SM, он работает в высокоскоростных решениях для подключения IDC и так далее. Функции: 4-полосная конструкция MUX/DEMUX Поддержка 100GBASE-ER4 для скорости линии 103,125 Гбит/с. Интегрированная LAN WDM TOSA/ROSA с радиусом действия до 40 км по SMF. Совокупная пропускная способность >100 Гбит/с Дуплексные разъемы LC Соответствует стандарту IEEE 802.3-2012, пункт 88. Чип IEEE 802.3bm CAUI-4 соответствует электрическому стандарту модуля ITU-T G.959.1-2012-02. Работает один источник питания +3,3 В Встроенные цифровые диагностические функции Диапазон температур от 0°C до 70°C Деталь, соответствующая требованиям RoHS Поддержка FEC (прямое исправление ошибок)
40G QSFP+ LR4 Одномодовый оптический трансивер LC 40G QSFP+ LR4, 10 км (промышленный)
Функции:                                              4-полосный CWDM дизайн MUX/DEMUX Охлаждаемый передатчик CWDM DFB Пропускная способность до 11,2 Гбит/с на канал Совокупная пропускная способность > 40 Гбит/с Дуплексный разъем LC Совместимость со стандартами 40G Ethernet IEEE802.3ba и 40GBASE-LR4, а также OTU3 для скорости линии 43 Гбит/с. Соответствует QSFP MSA Передача до 10 км Совместимость со скоростями передачи данных QDR/DDR InfiniBand. Работает одиночный источник питания +3,3 В.  Встроенные функции цифровой диагностики.   Часть, соответствующая RoHS Приложения: Стойка к стойке Коммутаторы и маршрутизаторы для центров обработки данных Сети метро Коммутаторы и маршрутизаторы Ethernet-каналы 40G BASE-LR4
оставить сообщение
оставить сообщение
Если .Вы заинтересованы в наших продуктах и хотите узнать больше деталей, пожалуйста, оставьте сообщение здесь, мы ответим вам, как только мы Can.

Дом

Продукты

о

контакт