Полный механический оптический коммутатор 2x2

Полный механический оптический коммутатор 2x2

  • Непревзойденно недорогой, полностью механический оптический коммутатор 2x2
  • Низкие оптические искажения
  • Высокая изоляция
  • Высокая надежность
  • Оптический путь без эпоксидной смолы
Категории
  • Подробная информация о продукте

Полный механический оптический коммутатор 2x2

Оптоволоконный коммутатор Full 2x2 соединяет оптические каналы, направляя или блокируя входящий оптический сигнал в выходное волокно. Это достигается за счет использования запатентованной оптико-механической конфигурации и активируется электрическим управляющим сигналом. Версия с фиксацией сохраняет выбранный оптический путь после снятия управляющего сигнала, в то время как версии без фиксации по умолчанию переходят в открытое или закрытое состояние при отключении питания. Механический волоконно-оптический коммутатор Встроенные электрические датчики положения. Новая усовершенствованная конструкция на основе нового материала значительно снижает чувствительность к положению подвижных частей, обеспечивая беспрецедентно высокую стабильность и непревзойденную низкую стоимость.

Технические характеристики

Рабочая длина волны

1260~1620 нм (SM)

850 нм(ММ)

Вносимые потери

≤1,0 дБ

Потери, зависящие от длины волны

≤0,25 дБ

Потери, зависящие от поляризации

≤0,05 дБ

Потеря, зависящая от температуры

≤0,20 дБ

Возвратные потери

SM≥50 дБ

ММ≥30 дБ

Перекрестные разговоры

SM≥55 дБ

ММ≥35 дБ

Время переключения

≤8 мс

Повторяемость

≤±0,02 дБ

Долговечность

≥10 7 раз

Рабочее напряжение

3 или 5 В

Тип переключателя

Нефиксируемый/фиксируемый

Рабочая температура

-20~+70℃

Температура хранения

-40~+85℃

Оптическая мощность

≤500 мВт

Измерение

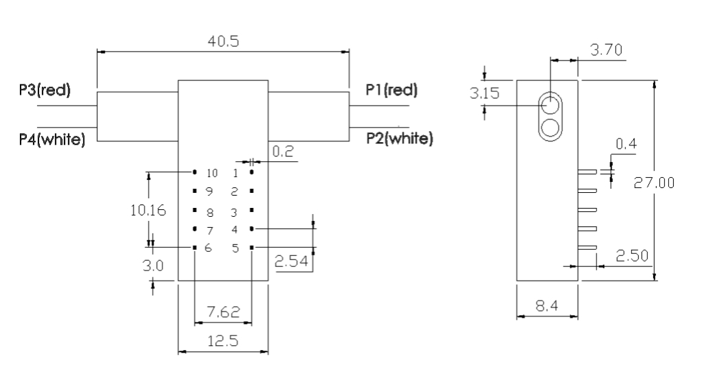
27,0 Д×12,0 Ш×8,2 В мм

Конфигурации контактов

Тип

Оптический маршрут

Электропривод

Датчик состояния

F2×2

Контакт 1

Пин5

Pin6

Пин10

Контакт 2-3

Контакты 3-4

Контакты 7-8

Контакты 8-9

Защелкивание

П1-П4, П2-П3

--

--

Земля

В+

Закрывать

Открыть

Открыть

Закрывать

П1-П3, П2-П4

В+

Земля

--

--

Открыть

Закрывать

Закрывать

Открыть

Незащелкивающийся

П1-П4, П2-П3

--

--

--

--

Закрывать

Открыть

Открыть

Закрывать

П1-П3, П2-П4

В+

--

--

Земля

Открыть

Закрывать

Закрывать

Открыть

Механические размеры (единица измерения: мм)

Full 2x2 Mechanical Optical Switch

Оптический маршрут

Full 2x2 Mechanical Optical Switch

Информация о заказе

Р D-FSW

-F2X2-

-Длина волны-

-Тип переключателя-

-Напряжение-

-Тип волокна-

-Упаковка-

-Длина волокна-

-Разъем-

1060=1

С+Л=2

1310=3

1410=4

1550=5

650=6

780=7

1260-1610=А

1310/1550=9

850=8

Специальный=0

Фиксация=1

Нефиксируемый=2

МИНИ-фиксация=3

MINI Без фиксации=4

Специальный=0

3В=3

5В=5

Специальный=0

СМ28=1

50/125=5

62,5/125=6

Специальный=0

Голое волокно=1

900 мкм трубка=3

Специальный=0

0,25м=1

0,5м=2

1,0м=3

Специальный=0

Нет=1

ФК/ПК=2

ФК/АПК=3

СК/ПК=4

СК/АПК=5

СТ/ПК=6

ЛК/ПК=7

Дуплекс LC=8

Специальный=0

Хотите узнать об этом продукте?

ОТПРАВИТЬ Сообщение
оставить сообщение

Если .Вы заинтересованы в наших продуктах и хотите узнать больше деталей, пожалуйста, оставьте сообщение здесь, мы ответим вам, как только мы Can.

сопутствующие товары
Mechanical Fiber Optical Switch 1x2 .Механический оптический переключатель
Непревзойденная низкая стоимость, 1x2 механический оптический выключатель Низкие оптические искажения Высокая изоляция высокая надежность Свободный эпоксидный Оптический путь
Mechanical Fiber Optical Switch двойной 1x2 Механический оптический переключатель
Непревзойденные низкие цены, D1x2 Механический оптический переключатель Низкие оптические искажения Высокая изоляция высокая надежность Свободный эпоксидный Оптический путь
Mechanical Fiber Optical Switch 2x2 Обход механического оптического выключателя
Непревзойденная низкая стоимость, 2x2 Обход механического оптического выключателя Низкие оптические искажения Высокая изоляция высокая надежность Свободный эпоксидный Оптический путь
Mechanical Fiber Optical Switch Двойной 2x2 Обход механического оптического выключателя
непревзойденные недорогие, двойные 2x2 Обход механического оптического выключателя Низкие оптические искажения Высокая изоляция высокая надежность Свободный эпоксидный Оптический путь
Mechanical Fiber Optical Switch Мини байпасный механический оптический коммутатор
Непревзойденная низкая стоимость, мини-байпасный механический оптический коммутатор Низкие оптические искажения Высокая изоляция высокая надежность Свободный эпоксидный Оптический путь
Mechanical Fiber Optical Switch 1x4 Механический оптический переключатель
Непревзойденная низкая стоимость, мини-байпасный механический оптический коммутатор Низкие оптические искажения Высокая изоляция высокая надежность Свободный эпоксидный Оптический путь
Mechanical Fiber Optical Switch 4x4 Механический оптический переключатель
Непревзойденная низкая стоимость, мини-байпасный механический оптический коммутатор Низкие оптические искажения Высокая изоляция высокая надежность Свободный эпоксидный Оптический путь
Mechanical Fiber Optical Switch 1xN механический оптический переключатель
Механический оптический переключатель до 1x64 Непревзойденная низкая стоимость Низкие оптические искажения Высокая изоляция Высокая надежность Оптический тракт без эпоксидной смолы
оставить сообщение
оставить сообщение
Если .Вы заинтересованы в наших продуктах и хотите узнать больше деталей, пожалуйста, оставьте сообщение здесь, мы ответим вам, как только мы Can.

Дом

Продукты

о

контакт