Трансивер DWDM SFP 1,25 Гбит/с 40 км

Трансивер DWDM SFP 1,25 Гбит/с 40 км

Приложения:

  • 1G Fibre Channel
  • Сети DWDM
  • Волоконно-оптический канал
Категории
  • Подробная информация о продукте

Трансивер DWDM SFP 1,25 Гбит/с 40 км

Возможность горячей замены, дуплексный LC, +3,3 В, 100 ГГц, DWDM, охлаждаемый DFB и PIN, одномодовый

1.25Gb/s 40km DWDM SFP Transceiver

Функции:

  • Возможность горячей замены
  • Дуплексный LC-разъем
  • Скорость передачи данных до 2,67 Гбит/с.
  • Сетка ITU 100 ГГц, диапазон C
  • Передатчик DWDM COOLED DFB, фотодетектор PINTIA
  • Одномолекулярные оптоволоконные линии связи протяженностью до 40 км
  • Двухпроводной интерфейс для управления, соответствующий требованиям стандарта SFF 8472 (цифровой диагностический интерфейс мониторинга).
  • Источник питания: +3,3 В
  • Потребляемая мощность <1,5 Вт
  • Диапазон температур: 0~70°C
  • Соответствует требованиям RoHS

Описание:

Модуль оптического трансивера FIBERWDM RSPD-03D40-Cxx — это очень компактный модуль, предназначенный для последовательной оптической связи со скоростью 1,25 Гбит/с. RSPD-03D40-Cxx преобразует последовательный электрический поток данных со скоростью 1,25 Гбит/с в оптический выходной сигнал со скоростью 2,67 Гбит/с и оптический входной сигнал со скоростью 1,25 Гбит/с в последовательный электрический поток данных со скоростью 1,25 Гбит/с. Высокоскоростной электрический интерфейс 2,67 Гбит/с полностью соответствует спецификации SFI.

Высокопроизводительный DWDM-передатчик с охлаждаемым светодиодом и высокочувствительный приемник PINTIA обеспечивают превосходную производительность для приложений Ethernet на линиях связи протяженностью до 80 км.

Модуль SFP соответствует стандартам SFF-8431 и SFF-8432. Функции цифровой диагностики доступны через двухпроводной последовательный интерфейс, как указано в стандарте SFF-8472.

Полностью совместимый с SFP форм-фактор обеспечивает возможность "горячего" подключения, простоту модернизации оптических портов и низкий уровень электромагнитных помех.

Абсолютные максимальные рейтинги

Параметр Символ Мин. Типичный Макс. Единица
Температура хранения ТС -40 +85 °С
Рабочая температура корпуса ТА 0 70 °С
Максимальное напряжение питания Vcc -0.5 4 В
Относительная влажность РГ 0 85 %

Электрические характеристики (температура плавления = от 0 до 70 °C, напряжение питания = от 3,135 до 3,465 вольт)

1.25g sfp transceiver

Примечание:

1. Подключено напрямую к выводам ввода данных TX. Передача переменного тока от выводов к микросхеме драйвера лазера.

2. Согласно SFF-8431 Rev 3.0

3. На дифференциальную нагрузку 100 Ом.

4. 20%~80%

5. LOS — это выход с открытым коллектором. Он должен быть подтянут резистором 4,7–10 кОм на основной плате. В нормальном режиме работы — логический 0; при потере сигнала — логическая 1. Максимальное напряжение подтяжки составляет 5,5 В.

Оптические параметры (TOP = от 0 до 70 °C, VCC = от 3,135 до 3,465 Вольт)

1.25g sfp transceiver

Примечание:

1. Средние значения мощности носят исключительно информативный характер. Fibre Channel

2. Отражение 12 дБ.

3. Перегрузка приемника, указанная в OMA, и при наихудших условиях комплексной нагрузки.

Временные характеристики

1.25g sfp transceiver

Назначение пин-кода

Схема расположения контактов и их обозначений в блоке разъемов материнской платы.

1.25g sfp transceiver

Определение функций контактов

40km DWDM SFP Transceiver

Примечание:

1. Контакты заземления модуля должны быть изолированы от корпуса модуля.

2. Этот вывод является выходным выводом с открытым коллектором/стоком и должен быть подтянут резистором 4,7–10 кОм к напряжению Host_Vcc на материнской плате.

3. Этот вывод должен быть подтянут резистором 4,7–10 кОм к напряжению VccT в модуле.

4. Этот вывод является выходным выводом с открытым коллектором/стоком и должен быть подтянут резистором 4,7–10 кОм к напряжению Host_Vcc на материнской плате.

Информация и управление EEPROM модуля SFP

Модули SFP реализуют двухпроводной протокол последовательной связи, как определено в SFP-8472. Информация о последовательном идентификаторе модулей SFP и параметрах цифрового диагностического монитора доступна через интерфейс I2C по адресам A0h и A2h. Память отображена в таблице 1. Подробная информация об идентификаторе (A0h) приведена в таблице 2. Спецификация DDM находится по адресу A2h. Для получения более подробной информации о карте памяти и определениях байтов см. SFF-8472, «Интерфейс цифрового диагностического мониторинга для оптических трансиверов». Параметры DDM откалиброваны внутри модуля.

Таблица 1. Карта цифровой диагностической памяти (описание конкретных полей данных)

40km DWDM SFP Transceiver

Таблица 2 - Содержимое памяти с порядковым номером EEPROM (A0h)

40km DWDM SFP Transceiver

Характеристики цифрового диагностического монитора

40km DWDM SFP Transceiver

Соблюдение нормативных требований

Устройство RSPD-03D40-Cxx соответствует международным требованиям и стандартам электромагнитной совместимости (ЭМС) и безопасности (подробности см. в таблице ниже).

40km DWDM SFP Transceiver

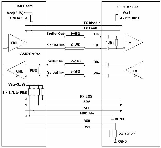
Рекомендуемая схема

1.25Gb/s 40km DWDM SFP Transceiver

Рекомендуемая схема питания материнской платы

1.25Gb/s 40km DWDM SFP Transceiver

Рекомендуемая высокоскоростная интерфейсная схема

Механические размеры

1.25Gb/s 40km DWDM SFP Transceiver

Информация о заказе:

1.25Gb/s 40km DWDM SFP Transceiver 1.25Gb/s 40km DWDM SFP Transceiver

Хотите узнать об этом продукте?

ОТПРАВИТЬ Сообщение
оставить сообщение

Если .Вы заинтересованы в наших продуктах и хотите узнать больше деталей, пожалуйста, оставьте сообщение здесь, мы ответим вам, как только мы Can.

сопутствующие товары
1.25G SFP  Transceiver 1.25G . SFP .Оптический трансивер
1.25G . SFP .Оптический трансивер Модуль, поддержка 1.25GB / S и передача до 120 км, в том числе: SFP .SR, SFP LR, SFP ER, SFP + ZR и т. Д.Работает в высокоскоростной IDC Решения для подключения, сетевой коммутатор, PTN, OTN И так на.
1.25G SFP  Transceiver 1.25G . DWDM . SFP .Оптический трансивер
1.25G . SFP .Оптический трансивер Модуль, поддержка 1.25GB / S и передача до 120 км, в том числе: SFP .SR, SFP LR, SFP ER, SFP + ZR и т. Д.Работает в высокоскоростной IDC Решения для подключения, сетевой коммутатор, PTN, OTN И так на.
1.25G SFP  Transceiver 1.25G . CWDM . SFP .Оптический трансивер
1.25G . SFP .Оптический трансивер Модуль, поддержка 1.25GB / S и передача до 120 км, в том числе: SFP .SR, SFP LR, SFP ER, SFP + ZR и т. Д.Работает в высокоскоростной IDC Решения для подключения, сетевой коммутатор, PTN, OTN И так на.
1.25G SFP  Transceiver 1.25G . Bidi . SFP .Оптический трансивер
1.25G . SFP .Оптический трансивер Модуль, поддержка 1.25GB / S и передача до 120 км, в том числе: SFP .SR, SFP LR, SFP ER, SFP + ZR и т. Д.Работает в высокоскоростной IDC Решения для подключения, сетевой коммутатор, PTN, OTN И так на.
China SFP 1.25G 1270-1610nm CWDM 200KM DDM Optical Transceiver Приемопередатчик SFP 1.25G 1270-1610nm CWDM 200KM DDM оптически
Модуль оптического приемопередатчика 1,25G SFP, поддержка 1,25 Гбит/с и передача до 200 км Функции: Каналы передачи данных со скоростью до 1,25 Гбит/с Горячее подключение Дуплексный разъем LC До 200 км на 9/125 мкм SMF Лазерный передатчик CWDM DFB 1270 ~ 1610 нм Приемник АПД Один источник питания +3,3 В Интерфейс мониторинга, совместимый с SFF-8472 Максимальная мощность <1 Вт Коммерческий диапазон рабочих температур: от -0°C до 70°C Доступна версия Соответствует RoHS и не содержит свинца Приложения: Метро/сети доступа 1,25 Гбит/с 1000Base-EZX Ethernet 1×Волоконный канал Другие оптические ссылки
SFP 1.25G DWDM 180KM Transceiver Приемопередатчик SFP 1.25G C17-C61 DWDM 180KM DDM оптически
Модуль оптического приемопередатчика 1,25G SFP, поддержка 1,25 Гбит/с и передача до 180 км Функции: Горячее подключение Дуплексный разъем LC Скорость передачи данных до 1,25 Гбит/с Сетка ITU 100 ГГц, диапазон C Передатчик DWDM COOLED DFB, фотодетектор APD Связи SMF до 180 км 2-проводной интерфейс для спецификации управления, совместимой с интерфейсом цифрового диагностического мониторинга SFF 8472. Источник питания: +3,3 В Потребляемая мощность<1,5 Вт Диапазон температур: 0~ 70°C Соответствует RoHS Приложения: 1G оптоволоконный канал DWDM-сети Волоконный канал
China SFP 1.25G 1550nm 200KM DDM Optical Transceiver Оптический приемопередатчик SFP 1.25G 1550nm 200KM DDM
Модуль оптического приемопередатчика 1,25G SFP, поддержка передачи 1,25 Гбит/с на 200 км. Он работает в высокоскоростных решениях для подключения IDC, сетевых коммутаторах, PTN, OTN и так далее. Функции: Каналы передачи данных со скоростью до 1,25 Гбит/с Горячее подключение Дуплексный разъем LC До 200 км на 9/125 мкмSMF 1550нм ОХЛАЖДАЕМЫЙ DFBlaser передатчик Приемник АПД Один источник питания +3,3 В Интерфейс мониторинга, совместимый с SFF-8472 Максимальная мощность <1,5 Вт Диапазон рабочих температур: Коммерческий: от 0°C до 70°C, Промышленный: от -40°C до +85°C Соответствует RoHS и не содержит свинца Приложения: Метро/сети доступа 1,25 Гбит/с 1000Base-EZX Ethernet 1×Волоконный канал Другие оптические ссылки
China SFP 1.25G 1270-1610nm CWDM 150KM DDM Optical Transceiver Приемопередатчик SFP 1.25G 1270-1610nm CWDM 150KM DDM оптически
Модуль оптического приемопередатчика 1,25G SFP, поддержка 1,25 Гбит/с и передача до 150 км Функции: Каналы передачи данных со скоростью до 1,25 Гбит/с Горячее подключение Дуплексный разъем LC До 150 км на 9/125 мкм SMF Лазерный передатчик CWDM DFB 1270 ~ 1610 нм Приемник АПД Один источник питания +3,3 В Интерфейс мониторинга, совместимый с SFF-8472 Максимальная мощность <1 Вт Коммерческий диапазон рабочих температур: от -0°C до 70°C Доступна версия Соответствует RoHS и не содержит свинца Приложения: Метро/сети доступа 1,25 Гбит/с 1000Base-EZX Ethernet 1×Волоконный канал Другие оптические ссылки
оставить сообщение
оставить сообщение
Если .Вы заинтересованы в наших продуктах и хотите узнать больше деталей, пожалуйста, оставьте сообщение здесь, мы ответим вам, как только мы Can.

Дом

Продукты

о

контакт